FAF78減速電機詳細信息
FAF78減速電機
FAF78減速電機基座參數計算公式:齒輪減速馬達
螺旋輸送機參數:每分鐘移動950mm,螺距9mm,拖動6800kg
9mm螺距的螺距×2因為螺距有兩面得出螺距=18mm
950mm÷18mm=52.78r/min輸出轉數
載重6800kg=6664N.m×0.06摩擦力=399.84N.m
1400÷52.78r/min=26.52減速比
399.84N.m÷26.52減速比=15.07N.m
15.07N.m換算成電機功率=2.39KW左右
對應的FAF78減速電機功率型號:
型號:FAF78-BVPEJ3KW
減速比:25.5
輸出轉數:57r/min
輸出扭矩:500N.m
安全系數:3
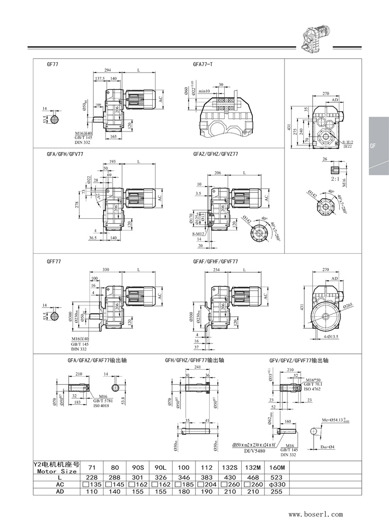
FAF78減速電機基座尺寸:輸出軸Φ20+鍵2.5(可定做),高134*寬135*長174(帶輸出軸)平行軸斜齒輪減速機

FAF78平行軸斜齒輪減速機型號:

FAF78減速電機型號參數:變頻電機減速機
FAF78減速機配0.37KW電機參數
| 型號 | 速比 | 功率 | 重量 | 沖擊力 |
| F77Y0.37KW | 281.71 | 0.37KW | 100.5kg | 19200N |
| F77Y0.37KW | 262.93 | 0.37KW | 100.5kg | 19300N |
| F77Y0.37KW | 225.79 | 0.37KW | 100.5kg | 19500N |
| F77Y0.37KW | 198.31 | 0.37KW | 100.5kg | 19700N |
FAF78減速機配0.55KW電機參數
| 型號 | 速比 | 功率 | 重量 | 沖擊力 |
| F77Y0.55KW | 225.79 | 0.55KW | 105kg | 18800N |
| F77Y0.55KW | 198.31 | 0.55KW | 105kg | 19100N |
| F77Y0.55KW | 188.40 | 0.55KW | 105kg | 19200N |
| F77Y0.55KW | 166.47 | 0.55KW | 105kg | 19400N |
| F77Y0.55KW | 142.27 | 0.55KW | 105kg | 19600N |
| F77Y0.55KW | 130.42 | 0.55KW | 105kg | 19700N |
| F77Y0.55KW | 114.45 | 0.55KW | 105kg | 19800N |
| F77Y0.55KW | 108.46 | 0.55KW | 105kg | 19800N |
| F77Y0.55KW | 94.93 | 0.55KW | 105kg | 19900N |
FAF78減速機配0.75KW電機參數
| 型號 | 速比 | 功率 | 重量 | 沖擊力 |
| F77Y0.75KW | 225.79 | 0.75KW | 106kg | 17800N |
| F77Y0.75KW | 198.31 | 0.75KW | 106kg | 18300N |
| F77Y0.75KW | 188.40 | 0.75KW | 106kg | 18500N |
| F77Y0.75KW | 166.47 | 0.75KW | 106kg | 18900N |
| F77Y0.75KW | 142.27 | 0.75KW | 106kg | 19200N |
| F77Y0.75KW | 130.42 | 0.75KW | 106kg | 19400N |
| F77Y0.75KW | 114.45 | 0.75KW | 106kg | 19600N |
| F77Y0.75KW | 108.46 | 0.75KW | 106kg | 19600N |
FAF78減速機配1.1KW電機參數
| 型號 | 速比 | 功率 | 重量 | 沖擊力 |
| F77Y1.1KW | 198.31 | 1.1KW | 110kg | 15900N |
| F77Y1.1KW | 188.40 | 1.1KW | 110kg | 16400N |
| F77Y1.1KW | 166.47 | 1.1KW | 110kg | 17300N |
| F77Y1.1KW | 142.27 | 1.1KW | 110kg | 18100N |
| F77Y1.1KW | 130.42 | 1.1KW | 110kg | 18400N |
| F77Y1.1KW | 114.45 | 1.1KW | 110kg | 18800N |
| F77Y1.1KW | 108.46 | 1.1KW | 110kg | 19000N |
| F77Y1.1KW | 94.93 | 1.1KW | 110kg | 19300N |
| F77Y1.1KW | 85.52 | 1.1KW | 110kg | 19400N |
| F77Y1.1KW | 75.02 | 1.1KW | 110kg | 19600N |
FAF78減速機配1.5KW電機參數
| 型號 | 速比 | 功率 | 重量 | 沖擊力 |
| F77Y1.5KW | 166.47 | 1.5KW | 113kg | 14500N |
| F77Y1.5KW | 142.27 | 1.5KW | 113kg | 16200N |
| F77Y1.5KW | 130.42 | 1.5KW | 113kg | 16900N |
| F77Y1.5KW | 114.45 | 1.5KW | 113kg | 17700N |
| F77Y1.5KW | 108.46 | 1.5KW | 113kg | 18000N |
| F77Y1.5KW | 94.93 | 1.5KW | 113kg | 18500N |
| F77Y1.5KW | 85.52 | 1.5KW | 113kg | 18800N |
| F77Y1.5KW | 75.02 | 1.5KW | 113kg | 19100N |
| F77Y1.5KW | 72.50 | 1.5KW | 113kg | 19200N |
| F77Y1.5KW | 66.46 | 1.5KW | 113kg | 19300N |
| F77Y1.5KW | 58.32 | 1.5KW | 113kg | 19500N |
| F77Y1.5KW | 55.27 | 1.5KW | 113kg | 19600N |
| F77Y1.5KW | 48.37 | 1.5KW | 113kg | 19700N |
| F77Y1.5KW | 43.58 | 1.5KW | 113kg | 19800N |
| F77Y1.5KW | 38.23 | 1.5KW | 113kg | 19900N |
| F77Y1.5KW | 36.58 | 1.5KW | 113kg | 19900N |
| F77Y1.5KW | 31.51 | 1.5KW | 113kg | 20000N |
FAF78減速機配2.2KW電機參數
| 型號 | 速比 | 功率 | 重量 | 沖擊力 |
| F77Y2.2KW | 114.45 | 2.2KW | 122kg | 14300N |
| F77Y2.2KW | 108.46 | 2.2KW | 122kg | 15000N |
| F77Y2.2KW | 94.93 | 2.2KW | 122kg | 16400N |
| F77Y2.2KW | 85.52 | 2.2KW | 122kg | 17100N |
| F77Y2.2KW | 75.02 | 2.2KW | 122kg | 17900N |
| F77Y2.2KW | 66.46 | 2.2KW | 122kg | 18400N |
| F77Y2.2KW | 58.32 | 2.2KW | 122kg | 18800N |
| F77Y2.2KW | 55.27 | 2.2KW | 122kg | 18900N |
| F77Y2.2KW | 48.37 | 2.2KW | 122kg | 19200N |
| F77Y2.2KW | 43.58 | 2.2KW | 122kg | 19400N |
| F77Y2.2KW | 36.58 | 2.2KW | 122kg | 19600N |
| F77Y2.2KW | 31.51 | 2.2KW | 122kg | 19800N |
| F77Y2.2KW | 28.75 | 2.2KW | 122kg | 19800N |
| F77Y2.2KW | 25.50 | 2.2KW | 122kg | 19900N |
FAF78減速機配3KW電機參數
| 型號 | 速比 | 功率 | 重量 | 沖擊力 |
| F77Y3KW | 85.52 | 3KW | 125kg | 14400N |
| F77Y3KW | 75.02 | 3KW | 125kg | 15900N |
| F77Y3KW | 66.46 | 3KW | 125kg | 16900N |
| F77Y3KW | 58.32 | 3KW | 125kg | 17700N |
| F77Y3KW | 55.27 | 3KW | 125kg | 18000N |
| F77Y3KW | 48.37 | 3KW | 125kg | 18500N |
| F77Y3KW | 43.58 | 3KW | 125kg | 18800N |
| F77Y3KW | 38.23 | 3KW | 125kg | 19100N |
| F77Y3KW | 36.58 | 3KW | 125kg | 19200N |
| F77Y3KW | 31.51 | 3KW | 125kg | 19500N |
| F77Y3KW | 28.75 | 3KW | 125kg | 19600N |
| F77Y3KW | 25.50 | 3KW | 125kg | 19700N |
| F77Y3KW | 21.43 | 3KW | 125kg | 19800N |
FAF78減速機配4KW電機參數
| 型號 | 速比 | 功率 | 重量 | 沖擊力 |
| F77Y4KW | 66.46 | 4KW | 136kg | 13900N |
| F77Y4KW | 58.32 | 4KW | 136kg | 15600N |
| F77Y4KW | 55.27 | 4KW | 136kg | 16100N |
| F77Y4KW | 48.37 | 4KW | 136kg | 17100N |
| F77Y4KW | 43.58 | 4KW | 136kg | 17700N |
| F77Y4KW | 38.23 | 4KW | 136kg | 18300N |
| F77Y4KW | 33.74 | 4KW | 136kg | 18700N |
| F77Y4KW | 29.91 | 4KW | 136kg | 19000N |
| F77Y4KW | 25.54 | 4KW | 136kg | 19300N |
| F77Y4KW | 31.51 | 4KW | 136kg | 18900N |
| F77Y4KW | 28.75 | 4KW | 136kg | 19100N |
| F77Y4KW | 25.50 | 4KW | 136kg | 19300N |
| F77Y4KW | 21.43 | 4KW | 136kg | 19600N |
| F77Y4KW | 19.70 | 4KW | 136kg | 19700N |
FAF78減速機配5.5KW電機參數
| 型號 | 速比 | 功率 | 重量 | 沖擊力 |
| F77Y5.5KW | 48.37 | 5.5KW | 150kg | 13800N |
| F77Y5.5KW | 43.58 | 5.5KW | 150kg | 15200N |
| F77Y5.5KW | 38.23 | 5.5KW | 150kg | 16500N |
| F77Y5.5KW | 33.74 | 5.5KW | 150kg | 17400N |
| F77Y5.5KW | 29.91 | 5.5KW | 150kg | 18000N |
| F77Y5.5KW | 25.54 | 5.5KW | 150kg | 18600N |
| F77Y5.5KW | 25.50 | 5.5KW | 150kg | 18600N |
| F77Y5.5KW | 21.43 | 5.5KW | 150kg | 19100N |
| F77Y5.5KW | 19.70 | 5.5KW | 150kg | 19200N |
| F77Y5.5KW | 17.49 | 5.5KW | 150kg | 19400N |
| F77Y5.5KW | 15.64 | 5.5KW | 150kg | 19600N |
| F77Y5.5KW | 14.06 | 5.5KW | 150kg | 19200N |
| F77Y5.5KW | 12.20 | 5.5KW | 150kg | 18600N |
FAF78減速機配7.5KW電機參數
| 型號 | 速比 | 功率 | 重量 | 沖擊力 |
| F77Y7.5KW | 33.74 | 7.5KW | 163kg | 14700N |
| F77Y7.5KW | 29.91 | 7.5KW | 163kg | 16000N |
| F77Y7.5KW | 25.54 | 7.5KW | 163kg | 17200N |
| F77Y7.5KW | 25.50 | 7.5KW | 163kg | 17200N |
| F77Y7.5KW | 21.43 | 7.5KW | 163kg | 18100N |
| F77Y7.5KW | 19.70 | 7.5KW | 163kg | 18500N |
| F77Y7.5KW | 17.49 | 7.5KW | 163kg | 18800N |
| F77Y7.5KW | 15.64 | 7.5KW | 163kg | 18900N |
| F77Y7.5KW | 14.06 | 7.5KW | 163kg | 18500N |
| F77Y7.5KW | 12.20 | 7.5KW | 163kg | 17900N |
| F77Y7.5KW | 10.93 | 7.5KW | 163kg | 17500N |
| F77Y7.5KW | 9.30 | 7.5KW | 163kg | 16400N |
| F77Y7.5KW | 8.26 | 7.5KW | 163kg | 16000N |
| F77Y7.5KW | 7.39 | 7.5KW | 163kg | 15600N |
| F77Y7.5KW | 6.64 | 7.5KW | 163kg | 15200N |
| F77Y7.5KW | 5.76 | 7.5KW | 163kg | 14700N |
| F77Y7.5KW | 5.16 | 7.5KW | 163kg | 14400N |
| F77Y7.5KW | 4.28 | 7.5KW | 163kg | 13700N |
FAF78減速機配11KW電機參數
| 型號 | 速比 | 功率 | 重量 | 沖擊力 |
| F77Y11KW | 19.70 | 11KW | 205kg | 16300N |
| F77Y11KW | 17.49 | 11KW | 205kg | 17200N |
| F77Y11KW | 15.64 | 11KW | 205kg | 17600N |
| F77Y11KW | 14.06 | 11KW | 205kg | 17300N |
| F77Y11KW | 12.20 | 11KW | 205kg | 16900N |
| F77Y11KW | 10.93 | 11KW | 205kg | 16600N |
| F77Y11KW | 9.30 | 11KW | 205kg | 15400N |
| F77Y11KW | 8.26 | 11KW | 205kg | 15100N |
| F77Y11KW | 7.39 | 11KW | 205kg | 14800N |
| F77Y11KW | 6.64 | 11KW | 205kg | 14500N |
| F77Y11KW | 5.74 | 11KW | 205kg | 14100N |
| F77Y11KW | 5.16 | 11KW | 205kg | 13800N |
| F77Y11KW | 4.28 | 11KW | 205kg | 13300N |
FAF78減速電機生產工廠展示:看廠請聯系微信13827261050,獲取位置,需提前一天預約
推薦類似型號:F78減速機
關鍵詞:GFAF系列減速器一體式_配變頻電機減速機_調速電機減速機_FAF系列減速機_扁平減速機_FAF向減速機_變頻減速機_調速減速機_GFAF系列減速機_FAF系列減速器
FAF系列齒輪減速馬達型號:FAF28減速機,FAF38減速機,FAF48減速機,FAF68減速機,FAF78減速機,FAF88減速機,FAF98減速機,FAF108減速機,FAF128減速機,FAF158減速機
FAF系列電動機減速機可配變頻電機,剎車電機,防爆電機,伺服電機,交流電機,直流電機,三相電機,單相電機 0.12KW-132KW之間
如需工程師幫選型,請加微信13827261050,留言告知工程師參數要求
標簽:   FAF78減速電機 FAF77平行軸斜齒輪減速機 FAF77減速機功率 FAF77減速機基座尺寸 FAF77減速機模型 FAF77減速機型號參數
