RXF68減速電機詳細信息
RXF68減速電機
RXF68減速電機功率計算公式:齒輪減速馬達
電動無軌小火車參數:輥輪直徑135,拖動3.9噸,一分鐘行駛43米
43米÷(0.135輥輪直徑X3.14)=101.44轉每分鐘
3.9噸換算成N=39000N
39000×0.0675輥輪半徑×0.3橡膠輪水泥路的摩擦系數=789.75N.m
通常確保萬無一失,我們會把輸出扭矩放大兩倍789.75×2=1579.5N.m
電機轉數1400÷輸出轉數101.44=13.8比
1579.5N.m輸出扭矩÷13.8比=114.46N.m電機扭矩
114.46N.m電機扭矩換算成功率7.5KW以上
對應的RXF68減速機型號參數:
型號:RXF68-BVPEJ7.5KW
減速比:13.8
輸出轉數:101.44轉每分鐘
輸出扭矩:1590N.m
安全系數:1.90
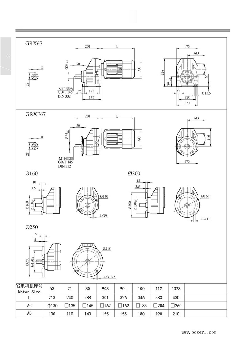
RXF68減速機基座尺寸:輸出軸Φ20+鍵2.5(可定做),高134*寬135*長174(帶輸出軸)三相齒輪減速機

RXF68立式斜齒輪硬齒面減速機型號:

RXF68減速電機型號參數:同軸斜齒輪減速電機
RXF68減速機配0.12KW電機參數
| 型號 | 速比 | 功率 | 重量 | 沖擊力 |
| RXF68-Y0.12KW | 199.81 | 0.12KW | 30.5kg | 10300N |
| RXF68-Y0.12KW | 184.07 | 0.12KW | 30.5kg | 10400N |
RXF68減速機配0.18KW電機參數
| 型號 | 速比 | 功率 | 重量 | 沖擊力 |
| RXF68-Y0.18KW | 199.81 | 0.18KW | 31kg | 10100N |
| RXF68-Y0.18KW | 184.07 | 0.18KW | 31kg | 10100N |
| RXF68-Y0.18KW | 158.14 | 0.18KW | 31kg | 10200N |
| RXF68-Y0.18KW | 137.67 | 0.18KW | 31kg | 10300N |
| RXF68-Y0.18KW | 128.97 | 0.18KW | 31kg | 10300N |
| RXF68-Y0.18KW | 113.94 | 0.18KW | 31kg | 10400N |
| RXF68-Y0.18KW | 105.83 | 0.18KW | 31kg | 10400N |
RXF68減速機配0.25KW電機參數
| 型號 | 速比 | 功率 | 重量 | 沖擊力 |
| RXF68-Y0.25KW | 199.81 | 0.25KW | 35kg | 9540N |
| RXF68-Y0.25KW | 184.07 | 0.25KW | 35kg | 9700N |
| RXF68-Y0.25KW | 158.14 | 0.25KW | 35kg | 9930N |
| RXF68-Y0.25KW | 137.67 | 0.25KW | 35kg | 10100N |
| RXF68-Y0.25KW | 128.97 | 0.25KW | 35kg | 10100N |
| RXF68-Y0.25KW | 113.94 | 0.25KW | 35kg | 10200N |
| RXF68-Y0.25KW | 105.83 | 0.25KW | 35kg | 10300N |
| RXF68-Y0.25KW | 95.91 | 0.25KW | 35kg | 10300N |
| RXF68-Y0.25KW | 86.11 | 0.25KW | 35kg | 10400N |
RXF68減速機配0.37KW電機參數
| 型號 | 速比 | 功率 | 重量 | 沖擊力 |
| RXF68-Y0.37KW | 199.81 | 0.37KW | 35.5kg | 8480N |
| RXF68-Y0.37KW | 184.07 | 0.37KW | 35.5kg | 8820N |
| RXF68-Y0.37KW | 158.14 | 0.37KW | 35.5kg | 9300N |
| RXF68-Y0.37KW | 137.67 | 0.37KW | 35.5kg | 9620N |
| RXF68-Y0.37KW | 128.97 | 0.37KW | 35.5kg | 9740N |
| RXF68-Y0.37KW | 113.94 | 0.37KW | 35.5kg | 9920N |
| RXF68-Y0.37KW | 105.83 | 0.37KW | 35.5kg | 10000N |
| RXF68-Y0.37KW | 95.91 | 0.37KW | 35.5kg | 10100N |
| RXF68-Y0.37KW | 86.11 | 0.37KW | 35.5kg | 10200N |
| RXF68-Y0.37KW | 74.17 | 0.37KW | 35.5kg | 10300N |
| RXF68-Y0.37KW | 69.75 | 0.37KW | 35.5kg | 10300N |
| RXF68-Y0.37KW | 61.26 | 0.37KW | 35.5kg | 10400N |
| RXF68-Y0.37KW | 56.89 | 0.37KW | 35.5kg | 10400N |
RXF68減速機配0.55KW電機參數
| 型號 | 速比 | 功率 | 重量 | 沖擊力 |
| RXF68-Y0.55KW | 158.14 | 0.55KW | 40kg | 7540N |
| RXF68-Y0.55KW | 137.67 | 0.55KW | 40kg | 8360N |
| RXF68-Y0.55KW | 128.97 | 0.55KW | 40kg | 8660N |
| RXF68-Y0.55KW | 113.94 | 0.55KW | 40kg | 9110N |
| RXF68-Y0.55KW | 105.83 | 0.55KW | 40kg | 9320N |
| RXF68-Y0.55KW | 95.91 | 0.55KW | 40kg | 9550N |
| RXF68-Y0.55KW | 86.11 | 0.55KW | 40kg | 9750N |
| RXF68-Y0.55KW | 74.17 | 0.55KW | 40kg | 9960N |
| RXF68-Y0.55KW | 69.75 | 0.55KW | 40kg | 10000N |
| RXF68-Y0.55KW | 61.26 | 0.55KW | 40kg | 10200N |
| RXF68-Y0.55KW | 56.89 | 0.55KW | 40kg | 10200N |
RXF68減速機配0.75KW電機參數
| 型號 | 速比 | 功率 | 重量 | 沖擊力 |
| RXF68-Y0.75KW | 128.97 | 0.75KW | 41kg | 7000N |
| RXF68-Y0.75KW | 113.94 | 0.75KW | 41kg | 7920N |
| RXF68-Y0.75KW | 105.83 | 0.75KW | 41kg | 8320N |
| RXF68-Y0.75KW | 95.91 | 0.75KW | 41kg | 8760N |
| RXF68-Y0.75KW | 86.11 | 0.75KW | 41kg | 9140N |
| RXF68-Y0.75KW | 74.17 | 0.75KW | 41kg | 9520N |
| RXF68-Y0.75KW | 69.75 | 0.75KW | 41kg | 9640N |
| RXF68-Y0.75KW | 61.26 | 0.75KW | 41kg | 9560N |
| RXF68-Y0.75KW | 56.89 | 0.75KW | 41kg | 9960N |
| RXF68-Y0.75KW | 51.56 | 0.75KW | 41kg | 10100N |
| RXF68-Y0.75KW | 46.29 | 0.75KW | 41kg | 10200N |
RXF68減速機配1.1KW電機參數
| 型號 | 速比 | 功率 | 重量 | 沖擊力 |
| RXF68-Y1.1KW | 86.11 | 1.1KW | 45kg | 7090N |
| RXF68-Y1.1KW | 74.17 | 1.1KW | 45kg | 8120N |
| RXF68-Y1.1KW | 69.75 | 1.1KW | 45kg | 8440N |
| RXF68-Y1.1KW | 61.26 | 1.1KW | 45kg | 8960N |
| RXF68-Y1.1KW | 56.89 | 1.1KW | 45kg | 9200N |
| RXF68-Y1.1KW | 51.56 | 1.1KW | 45kg | 9450N |
| RXF68-Y1.1KW | 46.29 | 1.1KW | 45kg | 9670N |
| RXF68-Y1.1KW | 39.88 | 1.1KW | 45kg | 9910N |
| RXF68-Y1.1KW | 37.5 | 1.1KW | 45kg | 9980N |
| RXF68-Y1.1KW | 32.27 | 1.1KW | 45kg | 10100N |
| RXF68-Y1.1KW | 28.83 | 1.1KW | 45kg | 10200N |
| RXF68-Y1.1KW | 28.13 | 1.1KW | 45kg | 10200N |
| RXF68-Y1.1KW | 26.72 | 1.1KW | 45kg | 10100N |
| RXF68-Y1.1KW | 23.44 | 1.1KW | 45kg | 9690N |
| RXF68-Y1.1KW | 19.89 | 1.1KW | 45kg | 9230N |
RXF68減速機配1.5KW電機參數
| 型號 | 速比 | 功率 | 重量 | 沖擊力 |
| RXF68-Y1.5KW | 61.26 | 1.5KW | 48kg | 7390N |
| RXF68-Y1.5KW | 56.89 | 1.5KW | 48kg | 7900N |
| RXF68-Y1.5KW | 51.56 | 1.5KW | 48kg | 8440N |
| RXF68-Y1.5KW | 46.29 | 1.5KW | 48kg | 8880N |
| RXF68-Y1.5KW | 39.88 | 1.5KW | 48kg | 9340N |
| RXF68-Y1.5KW | 37.5 | 1.5KW | 48kg | 9490N |
| RXF68-Y1.5KW | 32.27 | 1.5KW | 48kg | 9770N |
| RXF68-Y1.5KW | 28.83 | 1.5KW | 48kg | 9930N |
| RXF68-Y1.5KW | 28.13 | 1.5KW | 48kg | 9950N |
| RXF68-Y1.5KW | 26.72 | 1.5KW | 48kg | 9810N |
| RXF68-Y1.5KW | 23.44 | 1.5KW | 48kg | 9460N |
| RXF68-Y1.5KW | 19.89 | 1.5KW | 48kg | 9030N |
| RXF68-Y1.5KW | 17.95 | 1.5KW | 48kg | 8770N |
RXF68減速機配2.2KW電機參數
| 型號 | 速比 | 功率 | 重量 | 沖擊力 |
| RXF68-Y2.2KW | 39.88 | 2.2KW | 57kg | 7700N |
| RXF68-Y2.2KW | 37.50 | 2.2KW | 57kg | 8080N |
| RXF68-Y2.2KW | 32.27 | 2.2KW | 57kg | 8790N |
| RXF68-Y2.2KW | 28.83 | 2.2KW | 57kg | 9170N |
| RXF68-Y2.2KW | 23.00 | 2.2KW | 57kg | 9110N |
| RXF68-Y2.2KW | 19.89 | 2.2KW | 57kg | 8740N |
| RXF68-Y2.2KW | 17.95 | 2.2KW | 57kg | 8510N |
| RXF68-Y2.2KW | 15.79 | 2.2KW | 57kg | 8220N |
| RXF68-Y2.2KW | 14.91 | 2.2KW | 57kg | 8090N |
| RXF68-Y2.2KW | 12.70 | 2.2KW | 57kg | 7740N |
| RXF68-Y2.2KW | 11.54 | 2.2KW | 57kg | 7530N |
| RXF68-Y2.2KW | 10.00 | 2.2KW | 57kg | 7230N |
| RXF68-Y2.2KW | 8.70 | 2.2KW | 57kg | 6940N |
| RXF68-Y2.2KW | 7.79 | 2.2KW | 57kg | 6730N |
RXF68減速機配3KW電機參數
| 型號 | 速比 | 功率 | 重量 | 沖擊力 |
| RXF68-Y3KW | 19.89 | 3KW | 60kg | 8350N |
| RXF68-Y3KW | 17.95 | 3KW | 60kg | 8150N |
| RXF68-Y3KW | 15.79 | 3KW | 60kg | 7900N |
| RXF68-Y3KW | 14.91 | 3KW | 60kg | 7790N |
| RXF68-Y3KW | 23.44 | 3KW | 60kg | 8660N |
| RXF68-Y3KW | 12.70 | 3KW | 60kg | 7470N |
| RXF68-Y3KW | 11.54 | 3KW | 60kg | 7290N |
| RXF68-Y3KW | 10.00 | 3KW | 60kg | 7010N |
RXF68減速機配4KW電機參數
| 型號 | 速比 | 功率 | 重量 | 沖擊力 |
| RXF68-Y4KW | 19.89 | 4KW | 71kg | 7920N |
| RXF68-Y4KW | 17.95 | 4KW | 71kg | 7760N |
| RXF68-Y4KW | 15.79 | 4KW | 71kg | 7560N |
| RXF68-Y4KW | 14.91 | 4KW | 71kg | 7460N |
| RXF68-Y4KW | 12.70 | 4KW | 71kg | 7200N |
| RXF68-Y4KW | 11.54 | 4KW | 71kg | 7040N |
| RXF68-Y4KW | 10.00 | 4KW | 71kg | 6790N |
| RXF68-Y4KW | 8.70 | 4KW | 71kg | 6560N |
| RXF68-Y4KW | 7.79 | 4KW | 71kg | 6390N |
| RXF68-Y4KW | 7.36 | 4KW | 71kg | 6300N |
| RXF68-Y4KW | 6.27 | 4KW | 71kg | 6030N |
| RXF68-Y4KW | 5.70 | 4KW | 71kg | 5870N |
| RXF68-Y4KW | 4.93 | 4KW | 71kg | 5640N |
| RXF68-Y4KW | 4.29 | 4KW | 71kg | 5420N |
RXF68減速機配5.5KW電機參數
| 型號 | 速比 | 功率 | 重量 | 沖擊力 |
| RXF68-Y5.5KW | 15.79 | 5.5KW | 75kg | 6700N |
| RXF68-Y5.5KW | 14.91 | 5.5KW | 75kg | 6990N |
| RXF68-Y5.5KW | 12.70 | 5.5KW | 75kg | 6790N |
| RXF68-Y5.5KW | 11.54 | 5.5KW | 75kg | 6670N |
| RXF68-Y5.5KW | 10.00 | 5.5KW | 75kg | 6480N |
| RXF68-Y5.5KW | 8.70 | 5.5KW | 75kg | 6280N |
| RXF68-Y5.5KW | 7.79 | 5.5KW | 75kg | 6160N |
| RXF68-Y5.5KW | 7.36 | 5.5KW | 75kg | 6070N |
| RXF68-Y5.5KW | 6.27 | 5.5KW | 75kg | 5840N |
| RXF68-Y5.5KW | 5.70 | 5.5KW | 75kg | 5700N |
| RXF68-Y5.5KW | 4.93 | 5.5KW | 75kg | 5490N |
| RXF68-Y5.5KW | 4.29 | 5.5KW | 75kg | 5290N |
RXF68減速機配7.5KW電機參數
| 型號 | 速比 | 功率 | 重量 | 沖擊力 |
| RXF68-Y7.5KW | 12.7 | 7.5KW | 98kg | 4420N |
| RXF68-Y7.5KW | 11.54 | 7.5KW | 98kg | 5020N |
| RXF68-Y7.5KW | 10.00 | 7.5KW | 98kg | 5750N |
| RXF68-Y7.5KW | 8.70 | 7.5KW | 98kg | 5900N |
| RXF68-Y7.5KW | 7.79 | 7.5KW | 98kg | 5610N |
| RXF68-Y7.5KW | 7.36 | 7.5KW | 98kg | 5760N |
| RXF68-Y7.5KW | 6.27 | 7.5KW | 98kg | 5560N |
| RXF68-Y7.5KW | 5.70 | 7.5KW | 98kg | 5450N |
| RXF68-Y7.5KW | 4.93 | 7.5KW | 98kg | 5270N |
| RXF68-Y7.5KW | 4.29 | 7.5KW | 98kg | 5100N |
| RXF68-Y7.5KW | 7.97 | 7.5KW | 98kg | 1130N |
| RXF68-Y7.5KW | 7.53 | 7.5KW | 98kg | 1420N |
| RXF68-Y7.5KW | 6.41 | 7.5KW | 98kg | 2130N |
RXF68減速電機生產工廠展示:看廠請聯系微信13827261050,獲取位置,需提前一天預約
推薦類似型號:R68減速機
關鍵詞:GRXF向減速電機一體式_硬齒面減速機配電機_RXF系列減速器_RXF系列減速機_GRXF系列減速機_齒輪減速器_硬齒面齒輪減速機_三相齒輪減速電機_RXF型減速機_三相齒輪減速機
RXF系列齒輪減速馬達型號:RXF58減速機,RXF68減速機,RXF78減速機,RXF88減速機,RXF98減速機,RXF108減速機
RXF系列同軸斜齒輪減速機可配變頻電機,剎車電機,防爆電機,伺服電機,交流電機,直流電機,三相電機,單相電機 0.12KW-45KW之間
如需工程師幫選型,請加微信13827261050,留言告知工程師參數要求
標簽:   RXF68減速電機 RXF67立式斜齒輪硬齒面減速機 RXF67減速機功率 RXF67減速機基座尺寸 RXF67減速機模型 RXF67減速機型號參數
